φ38聚氨酯福來輪 W-3809PU

產品型號: φ38聚氨酯福來輪 W-3809PU包聚氨酯福來輪流利條系列
產品名稱:φ38聚氨酯福來輪 聚氨酯卷制輪 PU滾輪 φ38聚氨酯福來輪流利條
>>說明
1.聚氨酯橡膠流利條的滾輪使用聚氨酯橡膠為材料,內為切削式福來輪。
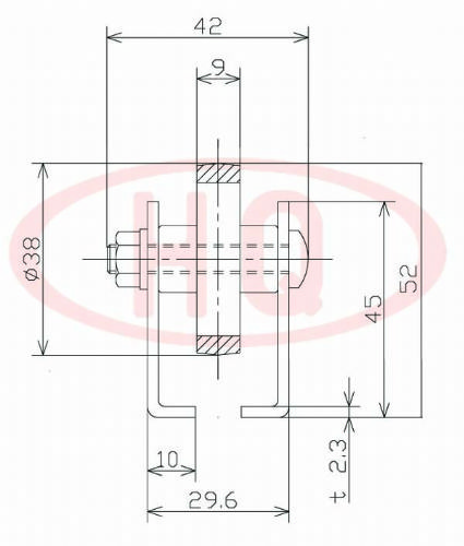
2.滾輪直徑:φ38,寬度:9,使用軸:M6
3.滾輪承載:40kg
4.可以根據客戶要求定做
>>示意圖

>>仕様表
(単位 mm)
型 號 | 福來輪尺寸 | 使用軸 |
W-3809PU | 38×9×6.2×25 | M6×38L |
框架形狀 機高 全 長 福來輪 回轉半徑 單滾輪承載強度(kg) 備注 45×29.6×10×42×2.3 52 1,000?2,000 50?75 1,000 40 包聚氨酯切削輪
形狀h×W1×W2×W3×t
H
L
間距
P
R
3,000
100?150
1,200